- Shaft Couplings
- Engine Vibration Dampers
- Thermex

Reverse reduction marine transmission with mechanically actuated claw clutch .
Suitable for high performance applications and pleasure duty conditions in fishing and tour boats.
Soft gear lever which provides controlling facility with spiral .
Fully works tested,reliable and simple to install. In case of proper usage according to safety usage conditions, proper engine, shaft, propeller selection and errorless assembling occured has 2 years warranty.
Design and manufacturing activities of all BAYSAN's products comply with ISO 9001:2008..
|
Maximum input power limit
|
|
||
|
Maximum input rpm limit
|
4000 RPM.
|
||
|
Reduction ratio
|
Standard : forward 1,80:1, reverse 1,90:1 Optionel : forward 2,5:1 - 1,5:1 -1,125:1
|
||
|
Oil type
|
SAE 80 W 90
|
||
|
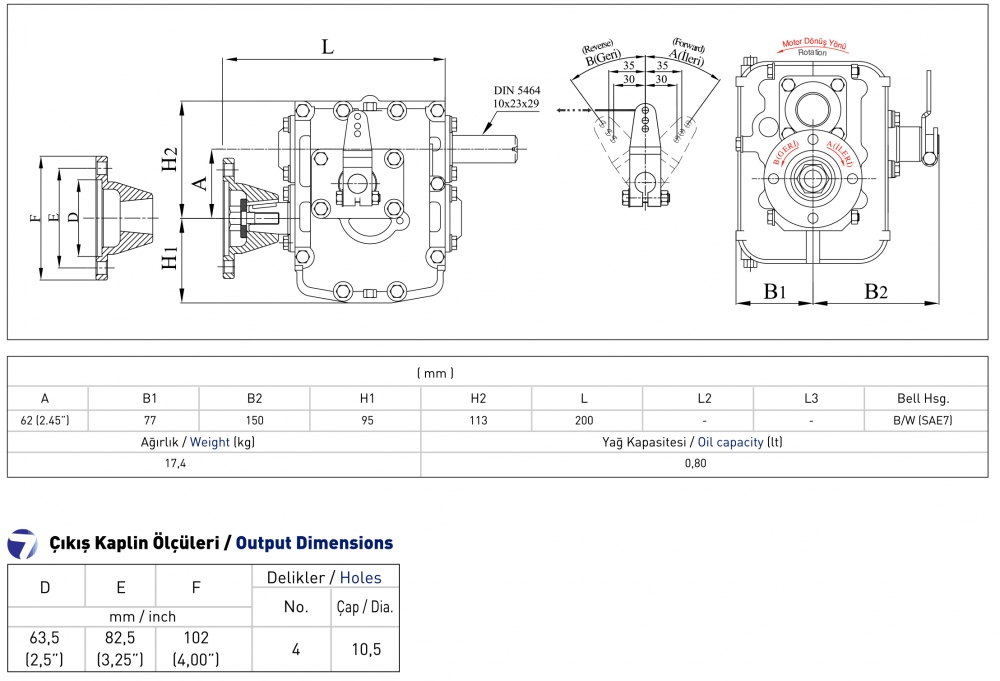
Oil capacity
|
0,80 lt.
|
||
|
Weight without flange
|
17,4 kg.
|
||
|
Standard rotation
|
In gear lever position (A),(Ref.dimensions) engine shaft and the propeller rotate in opposite directions,in position (B) in the same directions.
|